Werkstoff: Vergütungsstahl, brüniert.
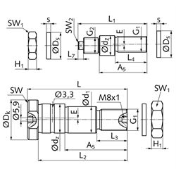
• Exzentrische Zapfen zur Montage von Profillaufrollen in verstellbarer Position, zur spielfreien Einstellung der Laufrolle.
• Ein Wagen wird normalerweise mit vier Rollen versehen: Auf der einen Seite zwei Rollen mit zentrischen Zapfen. Auf der anderen Seite zwei Rollen mit exzentrischen Zapfen, damit der Wagen spielfrei eingestellt werden kann.
• Die Zuordnung des Zapfens zur Profillaufrolle erfolgt nach Linearwellenstahldurchmesser dw und Zapfendurchmesser dz.
• Im Lieferumfang ist eine Scheibe enthalten, mit der die Profillaufrolle freigängig montiert werden kann (ab LFE8).

* LFE12x45A1 ohne axialem Gewinde M8x1, Bohrungs-Ø 5,9 mm und einseitiger radialer Schmierbohrung-Ø 3,3 mm.

Service:

Katalogseite



Die angebotenen CAD-Daten, Abbildungen und technischen Zeichnungen werden mit größtmöglicher Sorgfalt erstellt.
Dennoch kann keine Gewährleistung für die Fehlerfreiheit und Genauigkeit dieser Daten übernommen werden.

( freibleibend aus Lagervorrat / kurzfristig lieferbar / Lieferzeit nach Vereinbarung. Bitte fragen Sie nach. )
Artikel Menge Bezeichnungdw
[mm]
dz
[mm]
L
[mm]
L1
[mm]
L2
[mm]
L3
[mm]
L4
[mm]
Lz
[mm]
A5
[mm]
d1
[mm]
DK
[mm]
G1
[mm]
G2
[mm]
H1
[mm]
S
[mm]
Ds
[mm]
E
[mm]
SW
[mm]
SW1
[mm]
SW2
[mm]
Gewicht
[g]
64780401
LFE54/6 5 -20,5 - -9 -15 - -M4M42,9 - -0,5 -726
64780403
LFE868 -33,2 - -13,73,522 - -M8M8x0,541141 -13 514
64780404
LFE121012 -50 - -19,5 533,5 - -M10M108,41,8211 -17634
64780405
LFE12/M121012 -57 - -24 541 - -M12M126,51,8191 -17650
64780406
LFE151015 -57 - -24 541 - -M12M126,51,8211 -19660
64780407
LFE12x45A1*121250 -4516 - -301020M10x1,5 -82210,751717 -40
64780408
LFE20x67A1162075 -6723 - -451730M16x1,5 -1333012724 -200
64780409
LFE25x82A120/252592 -8230 - -572240M20x1,5 -1633713630 -400
64780411
LFE30x95A13030107 - 9532 - -672745M24x1,5 -1944414136 -620
64780412
LFE40x107A14040117 -10742 - -723655M30x1,5 -2445614646 -1100


zur Gruppe


Impressum AGB Hilfe Datenschutzerklärung Index


MÄDLER on Facebook Facebook MÄDLER on Youtube YouTube MÄDLER on X X MÄDLER on Instagram Instagram MÄDLER on Xingk Xing MÄDLER on Linkedin LinkedIn