Werkstoff: Flansch- und Kupplungsteil: Vergütungsstahl, vergütet und phosphatiert. Kontermutter: Stahl, schwarz.

Mit Kupplungsmutter.

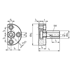
Die Schnellsteckkupplungen ermöglichen ein schnelles und unkompliziertes Verbinden und Trennen von Bauteilen. Zudem können sie betriebsbedingte Radialversätze effizient ausgleichen. Der Anschraubflansch sorgt für eine sichere Befestigung, zusätzliche Stabilität und eine höhere Betriebszuverlässigkeit. Sie sind vielseitig einsetzbar und finden beispielsweise in industriellen Förderanlagen oder Montagevor-richtungen Anwendung. Je nach Baugröße können die Kupplungen radiale Abweichungen von bis zu 1 mm zwischen den zu verbindenden Achsen ausgleichen.

Hinweis: Diese Kupplungen übertragen KEINE Drehmomente!

Service:

Katalogseite



Die angebotenen CAD-Daten, Abbildungen und technischen Zeichnungen werden mit größtmöglicher Sorgfalt erstellt.
Dennoch kann keine Gewährleistung für die Fehlerfreiheit und Genauigkeit dieser Daten übernommen werden.

( freibleibend aus Lagervorrat / kurzfristig lieferbar / Lieferzeit nach Vereinbarung. Bitte fragen Sie nach. )
Artikel Menge d1
[mm]
d2
[mm]
d3
[mm]
d4
[mm]
d5
[mm]
≈ l1
[mm]
l3
[mm]
l5
[mm]
l6
[mm]
l7
[mm]
l8
[mm]
t
[mm]
SW
[mm]
x
[mm]
FN
[kN]
Gewicht
[g]
60782506
M642115,51030,5113117145,4100,62,577
60782508
M84814,46,61135,513,53138166,4130,74,5123
60782510
M1050196,61143,2154,2169176,4170,76,5187
60782510F
M10x1,2550196,61143,2154,2169176,4170,76,5188
60782512
M125521,26,61153,217,54,220,510196,4190,810295
60782512F
M12x1,255521,26,61153,217,54,220,510196,4190,810294
60782516
M166527915642252312,522,58,524118471
60782516F
M16x1,56527915642252312,522,58,524118471
60782520
M2080341118742552617281030130850
60782520F
M20x1,580341118742552617281030130836


zur Gruppe


Impressum AGB Hilfe Datenschutzerklärung Index


MÄDLER on Facebook Facebook MÄDLER on Youtube YouTube MÄDLER on X X MÄDLER on Instagram Instagram MÄDLER on Xingk Xing MÄDLER on Linkedin LinkedIn