Werkstoff: Gehäuse bis Ø78 mm aus Sinterstahl,
über Ø78 mm aus GG20. Hebelarm aus St52.
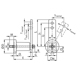
Diese Spannelemente entsprechen maßgeblich der Standardausführung. Zur leichteren Montage werden sie mittels der durchgehenden Schraube von der Hebelarmseite befestigt. Maschinenseitig ist ein Gewinde einzubringen. Die beigefügte Schraube ist durch einen O-Ring transportgesichert.
Service:
Katalogseite
Zusätzliche Informationen
Die angebotenen CAD-Daten, Abbildungen und technischen Zeichnungen werden mit größtmöglicher Sorgfalt erstellt.
Dennoch kann keine Gewährleistung für die Fehlerfreiheit und Genauigkeit dieser Daten übernommen werden.
Lieferzeit nach Vereinbarung. Bitte fragen Sie nach. )