Werkstoff: Gehäuse bis Ø78 mm aus Sinterstahl,über Ø78 mm aus GG20, Hebelarm aus St52.

Diese Spannelemente eignen sich für die Spannung herkömmlicher Ketten- und Riementriebe. Die Federkörper basieren auf hochelastischem, formbeständigem Naturgummi. Die Spannelemente sind blau lackiert und werden mit einer verzinkten Schraube und Federring ausgeliefert. Für beide Spannrichtungen geeignet. Temperaturbereich -40 ° C bis +80 °C.

Service:

Katalogseite

Zusätzliche Informationen



Die angebotenen CAD-Daten, Abbildungen und technischen Zeichnungen werden mit größtmöglicher Sorgfalt erstellt.
Dennoch kann keine Gewährleistung für die Fehlerfreiheit und Genauigkeit dieser Daten übernommen werden.

( freibleibend aus Lagervorrat / kurzfristig lieferbar / Lieferzeit nach Vereinbarung. Bitte fragen Sie nach. )
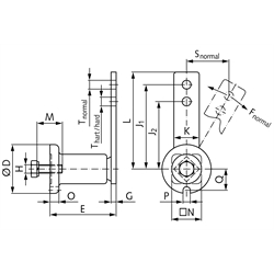
Artikel Menge GrößeF max. bei normal
[N]
F max. bei hart
[N]
s max. bei normal
[mm]
s max. bei hart
[mm]
D
[mm]
E
[mm]
G
[mm]
H
[mm]
J1
[mm]
J2
[mm]
K
[mm]
L
[mm]
M
[mm]
N
[mm]
O
[mm]
P
[mm]
Q
[mm]
T
[mm]
MA
[Nm]
Gewicht
[kg]
14080000
09612840303551+1-0,55M680602090,0202268,016,58,5100,18
14080100
113517050404564+1-0,55M81008025112,5253088,520,810,5250,37
14080200
235044050405879+1,5-0,57M101008030115,0303510,58,525,310,5490,66
14080212
235044050405879+1,5-0,57M101008030115,0303510,58,525,312,5490,65
14080216
235044050405879+1,5-0,57M101008030115,0303510,58,525,316,5490,64
14080300
38101050655078108+2-0,58M1213010050155,040521510,534,312,5861,81
14080400
41500187587,57095140+2-0,510M1617514060205,040661712,542,020,52103,55


zur Gruppe


Impressum AGB Hilfe Datenschutzerklärung Index


MÄDLER on Facebook Facebook MÄDLER on Youtube YouTube MÄDLER on X X MÄDLER on Instagram Instagram MÄDLER on Xingk Xing MÄDLER on Linkedin LinkedIn